首页
关于星微
了解星微
星微荣誉
产品方案
机电一体化
半导体自动化
精密制造&服务
技术支持
技术支持
售后服务
资料下载
新闻资讯
加入我们
联系我们
EN
中文
EN
首页
关于星微
了解星微
星微荣誉
产品方案
技术支持
技术支持
售后服务
资料下载
新闻资讯
加入我们
联系我们
关于星微
了解星微
星微荣誉
产品方案
机电一体化
半导体自动化
精密制造&服务
技术支持
技术支持
售后服务
资料下载
新闻资讯
加入我们
联系我们
Home
About
Product Solution
Technical Support
News
Join Us
Contact
以精度铸就工艺之巅
以精度铸就工艺之巅
返回上级
返回上级
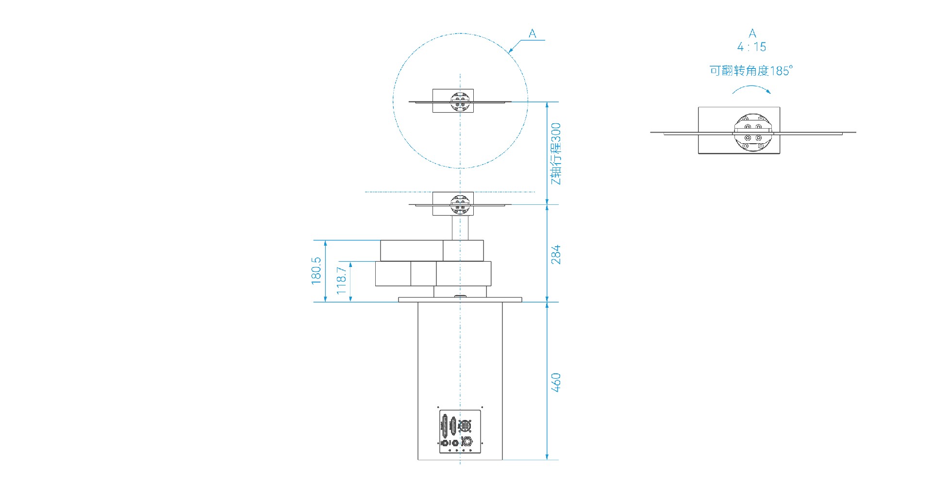
ROBOT STR-M5 单末端系列
半导体自动化
五轴半导体晶圆搬运单末端机器人,包含单末端翻转机构。
1
/
3
SPECIFICATIONS
SPECIFICATIONS
为独特需求,量身定制,确保每次都是完美匹配。
立即咨询
为独特需求 量身定制
确保每次都是完美匹配
关闭
定制需求
姓名:
联系方式:
企业名称(选填):
诉求: